明古微半

MGME   SEMICONDUCTOR

136 7022 5257
业务热线:

碳化硅功率器件+电驱方案

新能源汽车.充电桩.工业电源.光伏储能.电力电子.低空飞行器...

技术学院

STUDY

充电模块中的三相维也纳拓扑 --工作原理
来源: | 作者:张工 | 发布时间: 2025-04-18 | 3168 次浏览 | 🔊 点击朗读正文 ❚❚ | 分享到:
图片

在当今新能源汽车飞速发展的时代,充电桩也随之得到快速发展。大功率充电模块中的三相维也纳(Vienna)主拓扑是一种广泛应用于三相交流输入的高效功率因数校正(PFC)电路,尤其在电动汽车充电桩中表现突出。其核心优势在于高功率密度、低开关损耗和高功率因数(PF≈1)。
一、主拓扑结构与元件功能
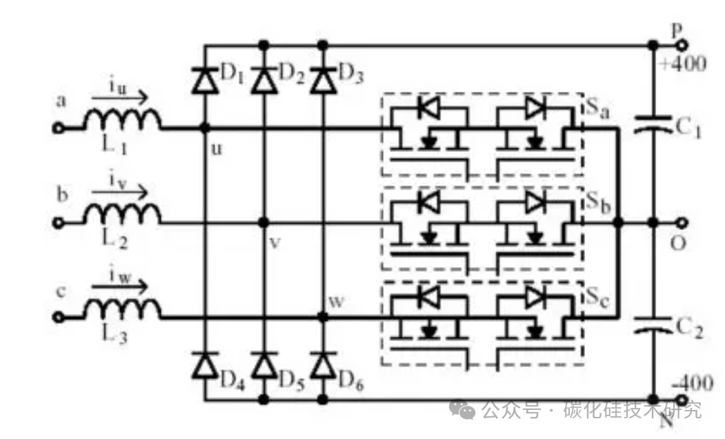
如图所示,是三相 VIENNA PFC 拓扑的主电路,大致如下:
图片

下面对上图做一个简单的说明:

三相二极管整流桥:采用超快恢复二极管或SiC二极管,实现交流到直流的初步转换。

双向开关(每相):每相由两个MOS管(如SiC MOSFET)反向并联组成,共用驱动信号,利用其体二极管实现双向导通,简化控制复杂度。

Boost电感(每相):采用CCM(连续导通模式)工作,减少电流纹波和EMI噪声。

母线电容分压结构:两个电解电容串联形成中点(O),提供三电平运行条件(正母线、中点、负母线)。

导通状态:当某相双向开关导通时,桥臂中点被钳位到母线电容中点(O),电流流经两个MOS管,电感充电。

关断状态:开关关断时,电流通过二极管流向正母线(电流正半周)或负母线(电流负半周),形成三电平输出(±400V或0V)

二、工作原理:

电路的工作方式靠控制 Sa、Sb、Sc 的通断,来控制 PFC 电感的充放电,由于 PFC 的 PF 值很接近1,在分析其工作原理时可以认为电感电流和输入电压同相,三相点平衡,并且各相差120度;

1、开关状态组合:三个桥臂各有3种状态(P、O、N),理论上共27种组合,但排除同时为PPP和NNN的极端状态后,实际有效状态为25种。

2、调制策略优化:

传统锯齿波调制:每周期产生4种开关状态,但电流纹波较大。

移相180°三角载波调制:正负半周使用不同载波,每周期产生8种开关状态(如ONO、ONP、OOP、POP),显著降低输入电流THD(总谐波失真)。

示例工作模式:a)ONO模式:a相和c相导通,b相关断,仅对C2充电;b)POP模式:a相和c相连接正母线,仅对C1充电,实现母线均压控制。

三、控制策略与环路设计

1、双环控制架构

电压外环:稳定直流母线电压(如800V),通过PI调节器生成电流参考值。

电流内环:跟踪正弦电流波形,确保输入电流与电压同相位(PF≈1),采用乘法器将电压环输出与输入电压波形相乘生成参考信号。

2、母线均压控制

电容中点电压偏移会导致谐波和器件应力增加。通过调节ONO和POP模式下的充电状态,平衡C1和C2的电压。

3、控制地(AGND)选择

传统方案中母线电容中点因高频波动无法作为参考地,需通过Y型电阻网络构建虚拟地,并采用差分隔离采样以避免干扰。

四、仿真和优化

1、寄生电感抑制

高频开关(如140kHz)下,功率回路的寄生电感会导致电压尖峰。通过优化PCB布局(如双排器件排列),减少换流环路长度25%,从而降低损耗和EMI。

2、器件选型与效率提升

SiC器件应用:SiC MOSFET因高频、低导通电阻特性,可将三电平拓扑优化为两电平LLC,减少器件数量并提升效率至96.5%。

抗浪涌设计:采用超快恢复二极管应对浪涌电流,避免SiC二极管的脆弱性。

五、典型应用与性能优势

三相维也纳拓扑广泛应用于30kW及以上充电模块,其优势包括:

  1. 高效率:SiC器件支持高频运行,减少磁性元件体积,功率密度提升50%。

  2. 低THD:优化调制策略后,输入电流谐波显著降低。

  3. 高可靠性:三电平结构降低开关管电压应力(如600V尖峰),延长器件寿命。


SiC MOS

我们要把有限的精力用在服务客户上,维护网站可能会延迟,想了解我们的最新动态,建议您关注我们的“微信公众号”或直接致电联系我们!谢谢!