
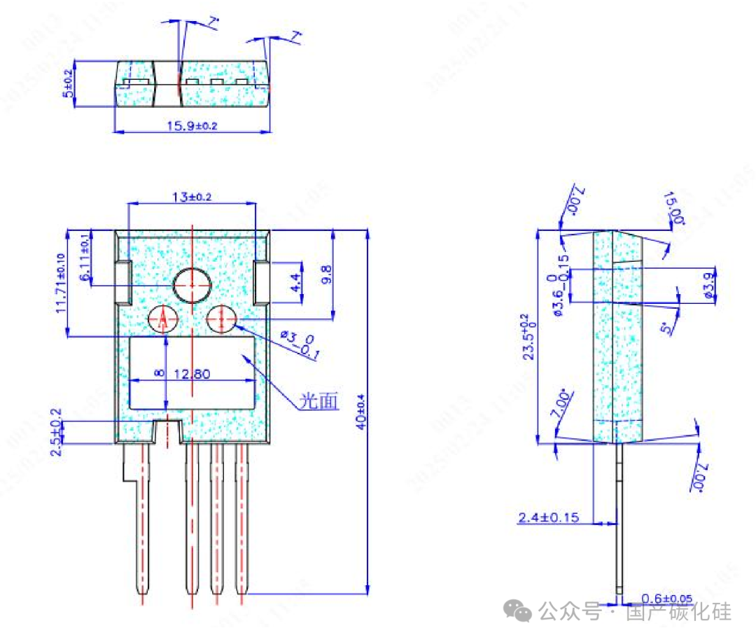
考虑建一个碳化硅行业的销售、技术人员的交流群,不发公众号文章,纯交流和资源共享(一起聊聊圈内的事,以后定期线下沟通),欢迎联系主编先~SiC MOS 单管的爬电距离问题,本质是高电场强度与绝缘系统的 “博弈”—— 其 100kV/µs 级 dv/dt、175℃高温工作环境,对器件封装绝缘和应用端布局提出了远超硅器件的要求。本文将从器件设计的底层逻辑出发,拆解爬电距离的核心解决方案,同时给出应用端必须遵守的工程规范,帮工程师从根源规避失效风险。器件端的爬电距离优化,核心是通过结构设计、材料升级、电场调控,让绝缘表面的电场分布均匀化,避免局部场强超标。作为器件工程师,我们在设计时会重点攻克以下 4 个维度:封装是爬电距离的 “第一道防线”,不同电压等级的 SiC MOS 单管,封装结构设计逻辑完全不同:低压(≤650V):采用 TO-220/TO-247-3L 标准封装,通过优化引脚间距(≥3mm)、增加塑封体隔离筋,确保爬电距离≥5mm;中高压(1200V-1700V):升级为 TO-247-3H/SOT227 封装,核心设计包括:加高隔离墙高度至 2.5mm 以上,让爬电路径从 “直线” 变为 “折线”,长度提升至≥4.9mm(TO-247-3H)、≥10.4mm(SOT227);在 DBC 陶瓷覆铜板上设计 “凸台结构”,增加芯片与引脚之间的绝缘路径长度,同时改善电场分布;采用 “交错式引脚布局”,源极、漏极、栅极引脚错开排列,避免高压引脚相邻导致的电场叠加。超高压(≥3300V):采用定制化模块封装,内置多层陶瓷绝缘垫片,爬电距离设计≥20mm,同时预留气隙作为辅助绝缘。封装材料的耐电晕、耐湿热性能,直接决定爬电距离的实际效果,我们在选型时会严格筛选:塑封材料:放弃传统环氧模塑料(EMC),选用高耐电晕等级(≥100kV/mm)、高 CTI 值(≥400)的强化型 EMC,局部关键区域(如引脚根部)涂覆 SiR(硅橡胶)涂层,提升表面绝缘电阻;绝缘垫片:中高压封装内置氮化铝(AlN)或氧化铝(Al₂O₃)陶瓷垫片,击穿强度≥20kV/mm,比传统树脂垫片的绝缘性能提升 50% 以上;芯片钝化层:采用 “厚场氧化(≥1µm)+ SiN(200nm)+ AlN(100nm)” 多层钝化结构,降低芯片表面漏电流,避免高温下出现表面击穿。芯片边缘是电场最集中的区域,爬电失效往往始于此。我们通过优化芯片终端结构,让电场分布更均匀:采用 “多区场限环(FLR)+ 结终端扩展(JTE)” 复合结构:FLR 通过多圈环形掺杂区分散电场,JTE 通过电荷平衡原理降低表面场强,两者结合可将芯片边缘电场峰值从 2.5MV/cm 降至 1.8MV/cm 以下;终端区表面采用 “阶梯式钝化”:避免钝化层与芯片表面形成锐角,进一步削弱电场集中效应;芯片有源区与终端区之间预留足够的 “隔离带”,防止有源区的高电场向终端区扩散。在封装和芯片设计阶段,我们会通过三维电场仿真工具(如 Ansys Maxwell)进行全场景仿真:模拟不同电压、温度下的电场分布,识别爬电路径上的 “热点区域”(场强超过 1.5MV/cm 的区域);对热点区域进行结构调整(如增加圆角、优化绝缘材料厚度),确保爬电路径上的最大场强不超过材料耐受极限;仿真结果需满足 “安全裕度≥30%”,即实际最大场强≤材料耐受场强的 70%。 2 应用端注意事项:器件工程师给的 “工程落地指南”再好的器件设计,也需要应用端的规范配合。作为器件工程师,我们在与客户对接时,会反复强调以下 6 个核心要点 —— 这些都是从无数失效案例中总结的经验:1)爬电距离计算:必须按 IEC 60664-1 “精准核算”应用端最常见的错误是 “凭经验设计”,正确的做法是按 IEC 60664-1 标准,结合 3 个关键参数计算最小爬电距离:公式参考:爬电距离 = 工作电压 × 污染等级系数 × 材料组别系数关键参数说明:工作电压(Uₑ):取系统最高工作电压(如 1700V SiC 系统,Uₑ=1700V DC);污染等级(PD):室内干燥环境选 PD2(系数 1.0),户外 / 多尘环境选 PD3(系数 1.4);材料组别(MG):普通 PCB 为 MG IIIb(系数 1.0),高 CTI 材料 PCB 为 MG II(系数 0.8)。实操建议:计算出最小爬电距离后,再增加 20%-30% 的安全裕度(如 1700V PD3 场景,计算值 12mm,实际设计≥14mm)。PCB 布局是爬电失效的重灾区,器件工程师建议严格遵守以下规范:高压铜箔必须 “无尖角、全圆弧”:所有转角采用 R≥1mm 的圆弧过渡,避免尖端电场集中(尖端场强是平滑表面的 3 倍以上);高压区与低压区 “物理隔离”:在 PCB 上设计 “绝缘槽”(宽度≥1mm、深度≥0.5mm),将高压铜箔与栅极、驱动电路的铜箔彻底分开,爬电路径需绕过绝缘槽;边缘爬电 “额外强化”:PCB 板边缘的爬电距离需比中间区域增加 30%,若边缘靠近金属外壳,需加绝缘垫片或涂覆三防漆(硅凝胶最佳)。SiC MOS 单管的高 dv/dt 会在驱动回路产生位移电流,间接加剧爬电风险,建议:采用 “分段栅极电阻”:开通时用大电阻(10-20Ω)抑制 dv/dt,关断时用小电阻(5-10Ω)降低开关损耗,平衡性能与可靠性;驱动线必须 “屏蔽 + 远离高压区”:使用双绞屏蔽线,屏蔽层接地,驱动线与高压铜箔的间距≥5mm,避免并行走线;优先选用带 Kelvin 源极的器件:Kelvin 源极可减少驱动回路的共模干扰,降低栅极误触发概率,间接减少因误触发导致的瞬时高压爬电。散热器是导体,靠近高压器件会畸变电场分布,器件工程师给出 2 个关键建议:散热器与高压铜箔的间距≥爬电距离的 1.2 倍:若散热器直接安装在器件封装上(如 SOT227 封装),需确保封装内置绝缘垫片(击穿强度≥25kV/mm);散热器边缘 “远离” 器件引脚:避免散热器边缘与器件高压引脚形成 “尖端 - 引脚” 的电场集中区,建议两者间距≥3mm。爬电距离的要求随环境恶化而提升,针对不同场景需针对性强化:湿热环境(如户外充电桩):在 PCB 高压路径涂覆硅凝胶,厚度≥0.5mm,同时选用耐湿热等级高的封装(如 IP65 防护等级);多粉尘环境(如工业逆变器):加装绝缘隔板,将高压器件与粉尘隔离,定期清理散热器和 PCB 表面的粉尘堆积;车载场景(如新能源汽车 OBC):采用 “绝缘 + 屏蔽” 双重设计,爬电距离按 PD3 标准设计,同时满足 ISO 6469-3 安全要求。作为器件工程师,建议应用端选型时重点关注 3 个易被忽视的细节:datasheet 中是否明确标注 “爬电距离” 和 “污染等级适配性”:避免选用未标注该参数的器件(可能存在设计缺陷);封装材料的 CTI 值和耐电晕等级:优先选 CTI≥400、耐电晕等级≥100kV/mm 的器件;芯片结温与爬电距离的匹配:高温下绝缘性能会下降,需确保器件工作结温≤150℃(预留 25℃安全裕度)。 3 国产3300V的SiC MOS如何解决爬电距离的问题?从尺寸图的缺口结构(引脚间的凹陷设计)出发,其对爬电距的直接优化是在标准 TO-247-4L 封装尺寸内,将 “直线爬电路径” 变为 “折线 / 曲线路径”,突破线性间距的局限:1. 爬电路径的物理延长无缺口时,TO-247-4L 引脚间的爬电路径是 “引脚边缘→封装表面→另一引脚边缘” 的直线距离(约 4.5~5mm),无法满足 3300V 所需的≥8mm 最小爬电距;缺口设计后,爬电路径需 “沿缺口侧面凹陷延伸(深度约 2~3mm)→跨越引脚间距→再沿另一侧缺口延伸”,实际有效爬电距可达到9~10mm(折线长度 = 引脚间距 + 2× 缺口深度),直接覆盖 3300V 电压等级的爬电距要求(符合 IEC 60664 标准)。
结合尺寸图 “13±0.2mm”(封装宽度)、“2.5±0.2mm”(缺口相关厚度),缺口深度与封装外壳厚度匹配,既延长路径又不牺牲机械强度。3300V 高压下,引脚边缘易出现 “电场集中”(强度是平均水平的 2~3 倍),会降低绝缘材料的抗爬电能力。缺口的弧形 / 梯形凹陷结构可让电场线沿缺口表面均匀分布,避免电场集中在引脚 - 封装的交界处:无缺口时,引脚边缘电场强度约 2.2kV/mm;缺口设计后,最大电场强度降至 1.5kV/mm 以下(远低于封装材料的击穿场强≥25kV/mm),从源头减少局部放电(爬电前兆)的风险。缺口的凹陷结构可减少灰尘、油污、湿气在引脚间的堆积:传统平面封装易形成连续的导电污染物薄膜,缩短有效爬电距;缺口让污染物难以形成 “连续通道”(灰尘易脱落、湿气易蒸发),即使在污染环境中,也能维持爬电路径的绝缘完整性,保障爬电距的长期有效性。封装与材料:爬电距的 “基础保障”配合缺口设计,规格书中标注的TO-247-4L 封装 + 高等级绝缘材料,为爬电距提供底层支撑:规格书明确采用 TO-247-4L 封装,其4 引脚线性排列(Drain/Source/Kelvin Source/Gate)的布局:高电位引脚(Drain,3300V)与低电位引脚(Gate,±22V)的物理间距≥4.5mm,结合缺口的路径延长,形成 “间距 + 缺口” 的双重爬电距保障;独立 Kelvin Source 引脚(Pin3)与主 Source 引脚(Pin2)分离,缺口进一步隔离 “驱动回路(低电位)” 与 “功率回路(高电位)” 的爬电路径,避免跨回路爬电。规格书标注 “ROHS Compliant, Halogen free”,其封装材料(环氧树脂 + 陶瓷基座)属于Class I 级绝缘材料(耐漏电起痕指数 CTI≥600V):该材料在高压下不易产生漏电起痕(爬电的核心诱因),即使爬电距处于临界值,也能通过材料本身的抗碳化、抗污染能力,抑制沿面放电;绝缘击穿强度≥25kV/mm,远高于 3300V 电压下的实际电场强度,避免绝缘层破损导致的爬电路径短路。规格书的低泄漏电流 + 低寄生电容参数,间接保障爬电距的有效性:1. 极低的泄漏电流零栅压漏电流(I_DSS):VDS=3300V 时最大仅 100μA,说明 Drain-Source 之间无明显漏电通道;栅极泄漏电流(I_GSS):VGS=±20V 时最大仅 150nA,证明栅极绝缘层(SiO₂/SiC 界面)无缺陷;泄漏电流是爬电的 “前兆信号”,低泄漏电流表明器件绝缘系统稳定,爬电距的设计可有效发挥作用。规格书给出动态参数:C_oss=132pF、C_rss=13.5pF(VDS=1000V,f=1MHz):低寄生电容减少了高压开关时的电压尖峰(避免瞬时超压),降低了电场强度波动对爬电距的冲击;低栅极电荷(Q_g=348nC)优化开关特性,减少开关过程中的电位畸变,间接维持爬电距的有效性。爬电距的 “冗余延伸”规格书标注 “Easy to parallel”(易于并联),缺口设计 + 封装爬电距的冗余,适配高压应用的密集布局:单器件的有效爬电距(9~10mm)已预留余量,多器件并联时,即使器件间间距缩小至 5mm,“器件 - 器件” 之间的爬电距(= 单器件爬电距 + 器件间距)仍能满足系统绝缘要求,无需额外增大安装空间,兼顾功率密度与可靠性。总结:爬电距问题的解决闭环这款 3300V SiC MOSFET 的爬电距解决方案,是 **“缺口设计(核心优化)+ 封装 / 材料(基础保障)+ 参数 / 应用(风险抑制 + 冗余)” 的协同结果 :缺口设计:在有限空间内延长爬电路径、分散电场、隔离污染,直接满足 3300V 的爬电距要求;封装 / 材料:TO-247-4L 的引脚布局 + Class I 级材料,为爬电距提供物理与性能的底层支撑;电气参数:低泄漏电流 + 低寄生电容,抑制爬电诱因,保障爬电距的有效性;应用适配:爬电距冗余支持并行使用,适配高压系统的密集布局。最终实现 “高压绝缘可靠性” 与 “系统小型化” 的平衡,完美适配 EV 驱动、高压 DC/DC 等场景的需求。爬电距离问题不是 “器件端单独能解决” 的,而是需要器件厂与应用端的协同设计:器件厂需提供 “详细的应用设计指南”:包括爬电距离计算示例、PCB 布局参考图、电场仿真关键数据;应用端需在设计初期与器件厂沟通:明确系统的工作电压、环境条件,让器件厂提供针对性的封装选型建议;批量生产前进行 “联合验证”:通过高温湿热老化、耐压冲击测试,验证爬电距离设计的有效性。记住:SiC MOS 单管的爬电距离不是 “越大越好”,而是 “精准匹配系统需求”—— 过度增大爬电距离会导致 PCB 面积增加、成本上升,合理的设计是在满足安规标准的前提下,通过器件优化和应用规范,实现可靠性与成本的平衡。
欢迎行业专业人士在评论区讨论互动!【抛砖引玉 . 筑巢引凤】
免责声明:1)来源:本公众号文章及图片均来自公开网络,旨在分享,不代表本号观点或对真实性负责。2)版权:若转载内容涉及版权,请原作者联系我们,将及时删除。3)责任:用户使用文章内容时需自行判断,因内容引发的所有损失,本号不承担法律责任。4)解释:本声明的最终解释权归本公众号所有,未尽事宜以法律法规为准。
国产碳化硅,就找明古微——感谢深圳市明古微半导体有限公司长期对本公众号的赞助与支持,深圳市明古微半导体有限公司作为爱仕特科技碳化硅MOS/SBD、中科本原DSP、乐山希尔整流桥堆/FRD等的核心代理商,与其深度合作并联合开发功率模块及电驱、储能系统,为电动汽车、OBC、DC-DC、充电桩、光伏逆变、SVG、PCS、工业电源、家电变频等能源产业提供完整解决方案,更多信息请登录:www.mgmsemi.com