什么是碳化硅MOS模块?
碳化硅MOS模块是由多个单管、二极管等元件封装在一起形成模块的产品,这些模块通常由碳化硅MOSFET和碳化硅SBD构成,或者是只由多个碳化硅单管构成。碳化硅MOS模块的应用在大电流电路中,主要出于对损耗以及散热性能的要求。这些模块可以采取不同的结构,如H桥、半桥、全桥等,以满足特定的应用需求。碳化硅MOS模块的采用,主要是基于碳化硅材料在半导体领域中的优异性能,包括高耐压、低导通电阻、快速开关特性等,这些特性使得碳化硅MOS模块在高压、高频率应用中表现出色,同时也提高了系统的效率和可靠性。
以HPD模块为例,生产工艺如下:

常见的模块封装型式有以下几种:

常见的模块-HPD

特点:
1. AlN+AlSiC散热,最高工作结温175℃;
2. 第三代模块寄生电感低于10nH,比现有模块小50%以上,降低开关损耗。
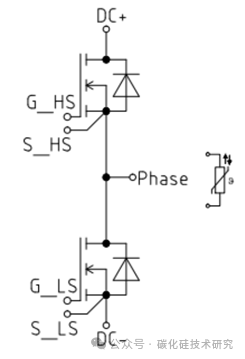
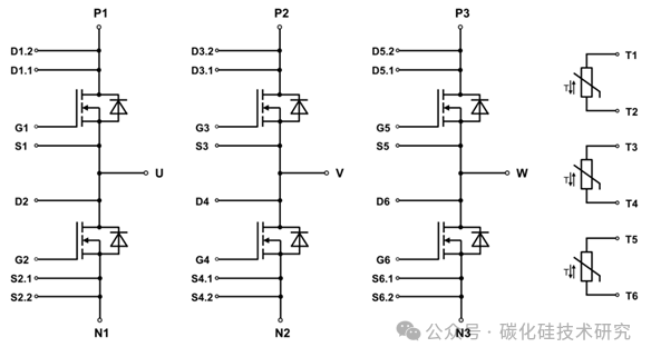
电路拓扑:三相全桥,自带体二极管,可以外接续流二极管。

常见的模块-DWC3

特点:
1. 采用真空回流焊工艺,AlSiC底板+低热值AlN绝缘陶瓷,最高工作结温175℃;
2. 第三代模块寄生电感低于10nH,比现有模块小50%以上,降低开关损耗;
3. 适用高温、高频应用,超低损耗;
4. 集成NTC温度传感器,易于系统集成。
电路拓扑:三相全桥,自带体二极管,可以外接续流二极管。

常见的模块-Econodual

特点:
1. 采用真空回流焊工艺,Cu底板+低热值AlN绝缘陶瓷,最高工作结温175℃;
2. 功率密度高,适用高温、高频应用,超低损耗;
3. 集成NTC温度传感器,易于系统集成;
4. 常关功率模块,零拖尾电流,寄生电感小于15nH,开关损耗低。
电路拓扑:半桥,自带体二极管,可以外接续流二极管。

常见的模块-EasyPACK

特点:
1. 采用先进的真空回流焊工艺,Al2O3绝缘陶瓷,最高工作结温175℃;
2. 高功率密度,低寄生电感,低开关损耗;
3. 适用高温、高频应用;
4. 集成NTC温度传感器,易于系统集成。
电路拓扑:半桥,自带体二极管,可以外接续流二极管。

常见的模块-EasyPIM

特点:
1. 采用先进的真空回流焊工艺,Al2O3绝缘陶瓷,最高工作结温175℃;
2. 高功率密度,低寄生电感,低开关损耗;
3. 适用高温、高频应用;
4. 集成NTC温度传感器,易于系统集成。
电路拓扑:半桥,自带体二极管,可以外接续流二极管。

常见的模块-DCS12

特点:
1. 采用单面水冷+模封工艺,最高工作结温175℃;
2. 功率密度高,适用高温、高频应用,超低损耗;
3. 集成NTC温度传感器,易于系统集成。
电路拓扑:半桥,自带体二极管,可以外接续流二极管。

常见的模块-62mm

特点:
1. 采用全焊片工艺,Cu底板+低热值AlN绝缘陶瓷;
2. 高功率密度,低寄生电感,低开关损耗;
3. 适用高温、高频应用。
电路拓扑:半桥,自带体二极管,可以外接续流二极管。

常见的模块-34mm

特点:
1. 采用全焊片工艺,Cu底板+低热值AlN绝缘陶瓷;
2. 高功率密度,低寄生电感,低开关损耗;
3. 适用高温、高频应用。
电路拓扑:半桥,自带体二极管,可以外接续流二极管。

碳化硅MOS模块应用
电机控制器:1200V/600A、800A,封装主要以HPD,DWC3和DCS12为主。
充电桩:1200V/300A,封装主要以EasyPACK为主。
光伏储能:1200V/300A,封装主要以EasyPACK为主。
··· ···
碳化硅MOSFET模块因其在高温、高压环境下的性能,正迅速成为电力电子系统中的理想选择。随着制造工艺的改进和市场需求的增长,SiC MOSFET在电动汽车、工业电力系统和其他应用中展示了广阔前景。尽管面临技术成熟度和标准化等挑战,SiC MOSFET模块凭借其显著优势,必将在未来塑造电力电子的创新格局。
声明:此文部分内容取自网络素材,文中观点仅供分享交流,仅为传递信息为目的,若有来源标注错误或如涉及版权等问题,请与作者联系,将及时更正、删除,谢谢。