明古微半

MGME   SEMICONDUCTOR

136 7022 5257
业务热线:

碳化硅功率器件+电驱方案

新能源汽车.充电桩.工业电源.光伏储能.电力电子.低空飞行器...

技术学院

STUDY

碳化硅在逆变器的应用上的优势
来源: | 作者:张工 | 发布时间: 2025-03-10 | 575 次浏览 | 🔊 点击朗读正文 ❚❚ | 分享到:

关于逆变器,在之前的文章我们已经简单提到过在新能源汽车上的应用。那么今天就来讲讲什么是逆变器?它除了在新能源汽车上应用,还有其他领域的应用情况。

首先逆变器是把直流电能(电池、蓄电瓶)转变成定频定压或调频调压交流电(一般为220V,50Hz正弦波)的转换器。它由逆变桥、控制逻辑和滤波电路组成。广泛应用于包括家庭和工业用电、电动汽车充电、太阳能发电系统、车载电源以及通信基站和远程电力系统。

图片

逆变器工作原理:逆变器是一种DC to AC的变压器,它由逆变桥、控制逻辑和滤波电路组成。其核心工作原理基于半导体器件的开关特性。 逆变器通过快速切换半导体器件来控制电源电压和电流,从而产生所需频率和电压的交流电。具体来说,当输入的直流电通过逆变器中的半导体器件时,会被分成一系列脉冲信号,经过滤波和调整后,产生与所需输出相同频率、幅值和波形的交流电。

图片

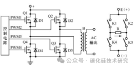
全桥逆变器架构

整个逆变过程如下图所示:

图片

关于逆变器的分类:

按源流性质:有源逆变器:是使电流电路中的电流,在交流侧与电网连接而不直接接入负载的逆变器;无源逆变器:使电流电路中的电流,在交流侧不与电网连接而直接接入负载(即把直流电逆变为某一频率或可调频率的交流电供给负载)的逆变器。

按并网类型:分为离网型逆变器、混网逆变器和并网型逆变器。

按拓扑结构:分为两电平逆变器,三电平逆变器,多电平逆变器。

按功率等级:分为大功率逆变器,中功率逆变器,小功率逆变器。

按波弦性质;主要分两类,一类是正弦波逆变器,另一类是方波逆变器。

逆变器根据发电源:分为煤电逆变器,太阳能逆变器,风能逆变器,核能逆变器。

根据用途不同:分为独立控制逆变器,并网逆变器。

根据逆变方式不同:单向逆变器、双向逆变器。

今天主要讲一讲离网型逆变器、混网逆变器和并网型逆变器各种特点。

离网型逆变器:

离网型逆变器是一种独立于公共电网的逆变器系统,也被称为独立式逆变器。它主要用于与离网发电系统结合,如太阳能发电系统或风力发电系统,将直流电转换为交流电,供给离网环境下的家庭或设备使用。其主要特点如下:

‌1、独立运行:离网逆变器不依赖于传统的电网供电,适用于偏远地区或无法接入公共电网的地方

‌2、储能系统集成:通常与储能系统(如电池组)结合使用,确保电力的可持续供应

3自给自足:旨在实现自给自足,通过可再生能源发电和储能系统确保电力的可持续供应

‌4、非标准频率:由于不需要满足公共电网的标准频率,可以根据实际需求调整输出频率

离网型逆变器主要应用于偏远地区,无法接入公共电网的地方;另外就是移动场景,一些移动设备等需要独立供电的场所。

并网型逆变器:

是一种特殊的逆变器,除了可以将直流电转换给交流电外,其输出的交流电可以和市电的频率及相位同步,因此输出的交流电可以回到市电。并网逆变器常用在一些直流电压源(如太阳能板或是小型风力发电机)和电网连接的应用中。另外并网逆变器不会将电力储存到电池系统,而是将太阳能输送到城市电网。因此,并网逆变器的主要功能是将太阳能输送至城市电网。在此过程中,你可以用一个计量表来计算向城市电网输送多少电力,这样你就可以从政府那里赚到钱。或者你可以选择不收取这些钱,而是降低电网费用。其主要特点如下:

1、成本效益 :由于可以直接并入电网,用户可以减少储能系统的投资,从而降低整体成本。

2、可靠性 :并网逆变器通常具有较高的可靠性,因为它们可以从前电网获取电力,以确保不间断的电力供应。

3、易于安装 :并网逆变器的安装相对简单,因为它们不需要复杂的储能系统。

混网型逆变器:

是同时具备离网(独立于电网运行)和并网(与电网连接运行)功能的逆变器。它可以将太阳能电池板产生的直流电转换为交流电,供本地负载使用,同时还能将多余的电能输送到电网,或者在电网电力不足时从电网中汲取电力。其主要特点如下:

1.双向电流流动 :混网逆变器能够实现双向电流流动,既可以将太阳能转换的电能输送给电网,也可以从电网获取电能。

2.智能管理 :具备智能管理系统,能够根据电网供电情况和负载需求,自动切换工作模式。

3.储能功能 :部分混网逆变器配备储能电池,可以在太阳能发电不足或夜间使用。

4.自发自用,余电上网 :优先使用太阳能发电,多余电力可以上传到电网,实现能源的最大化利用。

5.提高能源利用效率 :在电网供电情况下,可以实现太阳能和电网的双重供电,提高能源利用效率。

6.备用电源 :在电网断电时,可以作为备用电源使用,确保关键负载的连续运行。

7.环保节能 :最大限度地利用太阳能资源,减少对传统能源的依赖,减少温室气体排放。

8.削峰填谷 :在电价低时储能,在电价高时供电,帮助用户节省电费甚至赚取收益。

混网逆变器是一种多功能、高效率的电力转换设备,它结合了离网和并网逆变器的优点,提供了广泛的适应性和灵活性。选择混合逆变器可以提高能源利用效率,增加经济效益,同时促进环保节能。尽管初始成本可能较高,但从长期角度来看,混网逆变器提供了良好的性价比和投资价值。

图片

逆变电路实现与整流电路相反的功能,在结构上也与全波整流拓扑非常类似。由于逆变器的输出所接负载一般为电网或常用电器设备,而这些负载所需交流电频率一般为50Hz或60Hz。在光伏逆变器中引入碳化硅可以带来一系列显著的效果和优势。如下:

1、提升转换效率:碳化硅功率器件具有更低的导通损耗和开关损耗,这意味着在电能转换过程中,能量损失更少,转换效率更高。相较于传统的硅基光伏逆变器,使用碳化硅的光伏逆变器可以将转换效率从96%提升至99%以上,能量损耗降低50%以上。这种提升对于光伏发电系统来说至关重要,因为它直接关系到系统的发电量和经济效益。

2、延长使用寿命:碳化硅器件具有出色的耐高温性能,可以在高温等恶劣环境中稳定工作。这有助于减少光伏逆变器在运行过程中的热应力,从而延长其使用寿命。此外,碳化硅器件还具有无电流拖尾现象和高开关速度等优点,这些特性也有助于提高光伏逆变器的可靠性和稳定性。

3、缩小系统体积:碳化硅功率器件能够以更高的频率进行开关操作,这有助于减小电感和变压器的尺寸。因此,在光伏逆变器中使用碳化硅器件可以显著缩小系统的体积,增加功率密度,使系统更加紧凑和高效。这对于光伏发电系统的安装和运维来说是一个重要的优势。

4、降低成本:虽然碳化硅器件的初始成本可能较高,但由于其能够显著提高光伏逆变器的转换效率和使用寿命,因此从长远来看,可以降低系统的整体成本。此外,随着碳化硅技术的不断发展和产量的增加,其成本也有望进一步降低。

5、推动行业创新与发展:碳化硅在光伏逆变器中的应用不仅提升了系统的性能,还推动了整个光伏行业的创新与发展。它促使制造商不断研发新的技术和产品,以满足市场对高效、可靠、紧凑的光伏逆变器的需求。同时,碳化硅的应用也带动了相关产业链的发展,如碳化硅材料的制备、功率器件的封装与测试等。

综上所述,碳化硅在光伏逆变器中的应用效果显著,包括提升转换效率、延长使用寿命、缩小系统体积、降低成本以及推动行业创新与发展等方面。这些优势使得碳化硅成为光伏逆变器领域的重要发展方向之一。

声明:此文部分内容取自网络素材,文中观点仅供分享交流,仅为传递信息为目的,若有来源标注错误或如涉及版权等问题,请与作者联系,将及时更正、删除,谢谢。


SiC MOS

我们要把有限的精力用在服务客户上,维护网站可能会延迟,想了解我们的最新动态,建议您关注我们的“微信公众号”或直接致电联系我们!谢谢!