明古微半

MGME   SEMICONDUCTOR

136 7022 5257
业务热线:

碳化硅功率器件+电驱方案

新能源汽车.充电桩.工业电源.光伏储能.电力电子.低空飞行器...

技术学院

STUDY

碳化硅 MOSFET模型与直接串联电路概述
来源: | 作者:张工 | 发布时间: 2026-01-30 | 149 次浏览 | 🔊 点击朗读正文 ❚❚ | 分享到:

串联碳化硅MOSFET电路存在着稳态时各管子分压不均的问题,严重时甚至会发生击穿现象,引起火灾。研究串联碳化硅 MOSFET的关键是研究碳化硅MOSFET关断过程情况,了解清楚其关断暂态过程对解决这一难题有着极其重要的意义,为此本文先建立碳化硅MOSFET等效理论模型,其次配上与之对应的串联测试电路。

1.1碳化硅 MOSFET模型

首先介绍一下碳化硅MOSFET的电气符号图如图2-1所示,G一门极、D一漏极、S一源极,其中结温Tj也影响着碳化硅MOSFET的开关特性。图2-2为碳化硅 MOSFET的安全工作区图形,为了保证碳化硅MOSFET安全可靠工作,其必须工作在实阴影部分。

图片

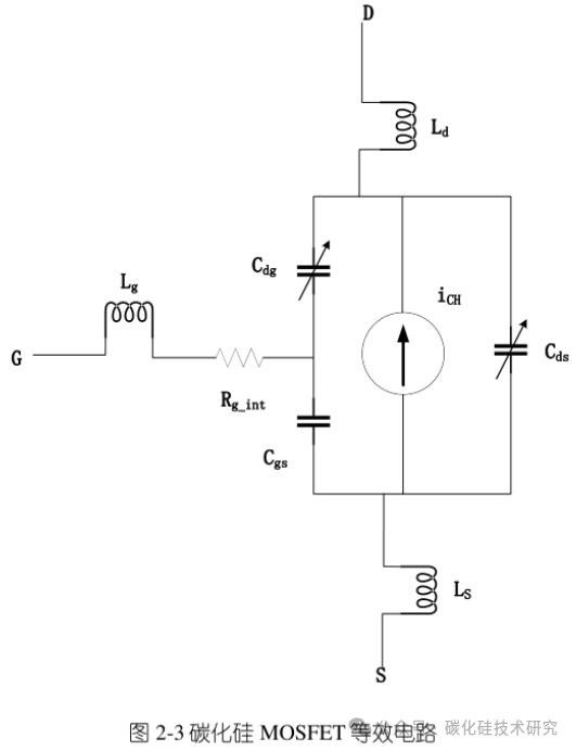
图2-3是从电路角度出发进行表示的碳化硅MOSFET等效模型,Rg_int为MOSFET内部栅极电阻;icH为沟道电流,本质上为受控电流源;Lg、Ld、Ls分别是为因封装而引起的寄生电感;Cgs、Cds、Cdg为等效结电容Cj。

图片

Rg_int为碳化硅MOSFET栅极寄生电阻,与等效结电容形成RC充放电回路,主要是抑制开关管通断过程中形成的位移电流,降低充放电速率,防止注入栅极电流过大从而起到保护MOSFET绝缘层的作用。当外接驱动电路电路时,可以与驱动电路中存在的驱动电阻合并,从而进行简化。相对于栅极电阻来说,碳化硅MOSFET的等效结电容所起作用更大,以下主要分析结电容的作用。结电容直接影响了开关过程,在回路中不断地进行充放电,影响着碳化硅MOSFET的开关性能,但结电容不像线性栅极电阻那样,结电容的大小随着外部电压的变化而变化,这结电容的非线性给理论不利于人们进行分析,原因是碳化硅 MOSFET的PN结厚度随电压变化而变化,因此为解决这一困难Wolfspeed公司制造碳化硅MOSFETC2M0040120D给出了结电容与漏源电压的关系。如图2-4所示。

图片

其中Ciss=Cgs+Cdg,Crss=Cdg,Coss=Cdg+Cds,从图中可以看出Ciss基本保持不变,而Coss、Crss却随着漏源电压的升高而减小,表现出非线性,这是碳化硅 MOSFET在开关过程中所形成的PN结随着时间不断变化而变化,漏源电压的大小也不停变化的结果。可以通过查表的方式得出各个漏源电压下对应的结电容大小,尽管理论上无法预知结电容的数值大小,但这至少是一种解决实际问题的方法,在下一章节中将会着重分析结电容的非线性影响。

图片

碳化硅MOSFET的结温对于其性能影响如图2-5所示,漏源电流的大小与载流子有关,当结温保持不变时,驱动电压越大,漏源电流越大,其原因为载流子吸收更多的电场能,更容易挣脱束缚变为自由粒子;当驱动电压保持为恒值时,结温越大漏源电流越大,其原因是结温越大,载流子能量越大,更容易挣脱束缚变为自由粒子;当漏源电流保持不变时,结温越小,驱动电压必须越大,以此来达到载流子减少的热能与增加的电场能相互抵消,从而维持漏源电流保持不变。

图片

首先介绍一下如何查表,由于我们知道结电容与漏源电压的关系,也知道漏源电压与栅间的关系,为此可以得到结电容与时间之间的关系,其基本思想如图2-6所示。本文将查表时间步长设置为0.1ns,对每一个时间步长△t,将结电容考虑为此步长开始时刻的值并保持不变,依据此电容计算Vds电压上升率。根据计算得到的结果在每个时间步长结束之后更新Vds和结电容的值,再次计算Vds电压上升率,如此循环至各个MOSFET的Vds之和等于电源电压为止。从MOSFET数据表中以0.1V的电压步长按照线性插值提取0到1000V的结电容数据,以此保证计算的精度。

图片

本文用LTspice对N-Channe碳化硅MOSFET进行了仿真,得到其输出特性如图2-7所示,显然碳化硅MOSFET与MOSFET相比,输出特性几本上相同,且均有截止区、恒流区、可变电阻区,总体来看,栅源电压增大,漏源电流逐渐增大直到饱和。截止区为门极电压未达到碳化硅MOSFET的阈值电压,无论漏源电压有多大,碳化硅MOSFET始终保持截止,对应曲线为接近于0的水平段,故称其为截止区;恒流区为漏源电压大于阈值电压后即使再增大,漏源电流达到饱和因此始终保持不变,对应曲线为大于0的水平段,即为恒定值,故称其为恒流区;可变电阻区为栅源电压尽管大于阈值电压但值仍较小,当栅源电压有微小变动时,漏源电流也会发生微小变化,其对应曲线为斜线部分,故称其为可变电阻区。

图片

1.2碳化硅 MOSFET直接串联电路

本文以如图2-8搭建碳化硅MOSFET直接串联电路,以此来分析串联碳化硅MOSFET的关断均压特性,同时搭建的该电路为典型的的斩波电路,由两只碳化硅MOSFETS1和S2、碳化硅肖特基二极管D、大电容C(稳压/降低纹波系数)、直流电源VDC、驱动电路、隔离电路、放大电路、变压器组成。因碳化硅SBD结电容与MOSFET结电容性质相差不大,可以采取相同的处理方法。驱动电路采取电压控制的PWM方式,通过改变驱动脉冲电压源频率、占空比等方式来控制产生PWM波,进而控制碳化硅MOSFETS1、S2的导通状态,测出碳化硅MOSFET的关断特性。

图片

在碳化硅 MOSFET直接串联电路中,本文忽略了寄生电感的影响,因为寄生电感很大程度上是封装时导线过长所引起,为此可在封装时尽可能做到精密,比如将碳化硅 MOSFET引脚剪短后焊接在电路板上、将大电容尽可能地接近开关管位置来减小回路电容;此外从为了方便理论分析(电感带来微分运算)减小运算角度,也选择忽略了寄生电感。

**为方便大家沟通,碳化硅 MOS 技术交流群已建,诚邀业内同仁、技术爱好者入群,共探前沿技术,交流实战经验,携手推动行业发展!

同时也欢迎添加作者个人微信交流合作:

图片

感谢深圳市明古微半导体有限公司长期的赞助与支持!国产碳化硅,就找明古微!深圳市明古微半导体有限公司作为爱仕特科技碳化硅MOS/SBD、中科本原DSP、乐山希尔整流桥堆/FRD等的核心代理商,与其深度合作并联合开发碳化硅功率模块、电驱方案、储能系统,致力于为电动汽车、OBC、DC-DC、充电桩、光伏逆变、SVG、PCS、工业电源、家电变频等能源领域提供基于碳化硅功率器件及完整解决方案,更多信息请登录:www.mgmsemi.com

声明:此文部分内容取自网络素材,文中观点仅供分享交流,仅为传递信息为目的,若有来源标注错误或如涉及版权等问题,请与作者联系,将及时更正、删除,谢谢。

SiC MOS

我们要把有限的精力用在服务客户上,维护网站可能会延迟,想了解我们的最新动态,建议您关注我们的“微信公众号”或直接致电联系我们!谢谢!