明古微半导体
MGME SEMICONDUCTOR
碳化硅功率器件+电驱方案
新能源汽车.充电桩.工业电源.光伏储能.电力电子.低空飞行器...

国产碳化硅 就找明古微
技术学院
STUDY
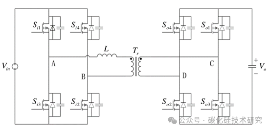
在讲LLC谐振转换器前,先看看什么是双有源桥式双向 DC-DC 变换器。双有源桥式双向 DC-DC 变换器的拓扑结构如下图所示,该电路在输入端和输出端均采用四个功率开关管组成全桥结构,中间通过一个包含漏感的高频隔离变压器相连该电路可以满足高电压、大功率的应用场合,并且工作可靠性高,电路结构相对简单一度得到快速发展[0-1。相比于之前所述的正激式、反激式和推挽式双向 DC-DC 变换器主要采用的PWM(脉冲宽度调制)控制策略,双有源桥式双向DC-DC变换器采用移相控制,当一次侧开关管的驱动信号超前二次侧时,功率正向流动,当二次侧开关管的驱动信号超前一次侧时,功率反向流动。并且通过一二次侧之间移相角大小的变化能够调节电路传输功率的大小,利用变压器漏感和功率开关管寄生电容在死区时间内发生谐振可以实现软开关,控制方法简单且易于实现。

但是该变换器工作在寄生二极管续流阶段内出现变压器漏感的电压和电流乘积为负的情况,即存在功率回流象限,影响变换器的整体效率。为解决功率回流问题大都采用双移相控制的方式,即在原本采用同一控制信号的两个功率开关管的驱动信号之间再加入一个较小的移相角,改变变压器漏感电压和电流的关系以减小或消除功率回流。但这无疑使原本简便的移相控制变得复杂。另外在实际应用中,变压器的漏感不可能做得很大,当变换器工作在轻载状态时,电路中的电流很小,漏感能量不足以完全给功率开关管的寄生电容充放电,软开关条件丢失。并且软开关条件和传输功率大小对一二次侧移相角的要求不完全一致,为满足软开关需求则必然会影响电路功率的传输。由于以上缺点,双有源桥式双向DC-DC 变换器并不适用于负载可能大幅变化和对传输功率要求较高的变换场合。再考虑到该变换器只有一个很小的变压器漏感,当工作状态发生变化时输入输出端口的电流脉动较大,因此也不适用于蓄电池类储能单元的应用场合。
在功率器件选择方面,由于碳化硅的高阻断电压, 快速开关及低损耗等特点,高压输入隔离DC/DC变换器的拓扑可以得到简化(从原来的三电平简化为传统全桥拓扑)。因此碳化硅器件必将是一个趋势。碳化硅MOSFET在软开关桥式上具有以下明显的优势:
1、高阻断电压可以简化拓扑设计,电路从复杂三电平变为两电平全桥电路,提高可靠性;
2、由于拓扑简化,采用硅基650V MOSFET的方案在每个开通时刻有两颗MOSFET同时导通,所以实际等效导通损耗会比采用全桥拓扑的1000V碳化硅MOSFET要大;
3、低寄生电容如输入电容(Ciss),输出电容(Coss)及反向传输电容(Crss),使得器件快速开关,从而减少关断损耗,开关表现更好并适合用于更高频开关变换器;
4、体二极管具有极低反向恢复时间(trr)及反向恢复电荷(Qrr)从而降低二极管开关损耗及操声,便于实现宽范围工作;
5、较短的导通(tdon)及关断(tdoff)延迟时间和低Qrr能承受更短死区时间,低死区时间可以降低绕组回流损耗;
6、较低栅极总电荷(Qg)在高频应用上得到更低栅极开关驱动损耗。
传统的功率转换器采用硬开关控制方案。硬开关的问题在于,当晶体管从导通状态切换到关断状态时(反之亦然),漏极至源极电压(VDS)会降低,而漏极电流(ID)会增加。两者存在重叠,这种重叠会产生功率损耗,称为导通损耗和关断开关损耗。软开关是一种用于限制开关损耗的控制方案,其方法是延迟 ID 斜坡到 VDS 接近于零时导通;延迟 VDS 斜坡到 ID 接近于零时关断。这种延迟被称为死区时间,电流/电压斜坡分别被称为零电压(ZVS)和零电流开关(ZCS)。软开关可通过谐振开关拓扑(如 LLC 和 CLLC 转换器)实现,以大幅降低开关损耗。
LLC 转换器是一种可利用软开关技术的谐振拓扑结构。下图显示了这种拓扑结构在初级侧可以采用半桥或全桥配置。LLC 转换器通常以单向模式运行,但也可以通过将现有的二极管换成有源开关来实现双向运行。该电路的谐振回路包括一个谐振电感器、一个谐振电容器和一个磁化电感器。与之前的 DAB 拓扑相比,该电路的一个优点是在整个负载范围内保持软开关特性。

半桥LLC转换器

全桥LLC转换器
LLC谐振电路简单高效,由于谐振腔的存在,不仅可以保证负载在大范围变化时一次侧开关管的 ZVS 导通,还可以实现二次侧开关管的 ZCS 关断,同时减轻了一二次侧开关管的电压应力。此外电路的电压增益随开关频率变化的特性,使得电路可以工作在BUCK/BOOST模式,而且在输入电压和负载大范围变化时都具有很好的电压调节特性,这些优势让 LLC电路一直是研究的热点。
传统的 LLC 谐振变换器输入端采用半桥结构,经二次侧带中心抽头的高频变压器与输出端相连,采用二极管整流实现直流输出。这种电路结构无法实现功率的双向流动,为解决这个问题,将全桥结构引入 LLC 谐振,形成双向全桥 LLC 谐振型 DC-DC 变换器如下图 所示。

双向全桥LLC 谐振型 DC-DC 变换器
双向全桥 CLLC 谐振型DC-DC 变换器在完全保留 LLC 谐振电路优点的基础上实现了功率的双向流动并且变换器正反向工作过程完全对称,近年来成为了双向变换器领域的研究热点,成果广泛应用于分布式发电并网系统。
CLLC 转换器是另一种可利用软开关技术和双向功率流的谐振拓扑结构。它在初级侧和次级侧均包含一个谐振电感器和一个谐振电容器。该电路和其他在初级侧和次级侧都包含全桥的电路的一个共同优点在于,其控制原理是相同的。此外,与之前的 LLC 转换器一样, CLLC 可在整个负载范围内实现软开关特性。不过, CLLC 优于 LLC 拓扑的一个原因是对称谐振回路。LLC 拓扑具有非对称谐振回路,导致反向操作与正向操作不同。具有对称谐振回路的 CLLC解决了这一问题,因此更容易实现双向充电。

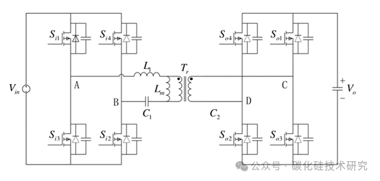
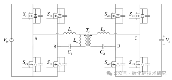
双向全桥 CLLC 谐振型 DC-DC 变换器
CLLC 谐振变换器的基本工作原理:
双向全桥 DC-DC型CLLC谐振变换器的主电路结构如上图所示,开关Si1-Si4和So1-So4均构成全桥结构。一次侧和二次侧的谐振电感和谐振电容分别为L1、C1和L2、C2,Lm是变压器Tr,的励磁电感,和谐振电感、谐振电容一起构成谐振腔。为了保证变换器双向运行的一致性,实际电路设计中,经常将一二次侧的谐振元件参数设计得完全对称。当变换器正向传输功率时,二次侧电感L2和电容C2发生完全谐振,变压器二次绕组电压被输出电压钳位,从而一次绕组电压也被钳位;当正向功率传输截止时,二次侧电流为零,电感L2和电容C2,从一次侧谐振中剥离,因此一次侧的谐振情况和传统的LLC谐振电路基本类似。一次侧的开关管同样采用固定占空比的变频控制,即全桥结构的对角线开关采用同样的驱动信号,非对角线开关采用互补的驱动信号,两组驱动信号占空比均为50%,并考虑留有一定的死区时间供开关的寄生电容进行充放电。二次侧开关S01-S04不加驱动信号,利用其寄生的二极管实现整流输出。反向工作时则由开关S01-S04加相同的驱动信号以实现逆变,利用开关Si1-Si4的体二极管完成整流,只需把变压器励磁电感Lm等效到二次侧即可,原理和正向工作时完全一样。
变换器工作过程中存在两个谐振频率,分别为励磁电感电压被输出电压钳位时的第一谐振频率,如式所示:

励磁电感Lm参与谐振时的第二谐振频率,如式所示:

因此,根据变换器开关频率f和两个谐振频率的相互关系,可以将变换器的工作状态划分为四种模式:连续模式(CCM):fs>f1,临界模式:fs=f1,断续模式(DCM):f2<fs<f1 ,容性模式:fs≤f2。
CLLC 谐振变换器的工作模态分析:
下图为变换器的理论工作波形图,图中只有正向工作时的波形,但基于完全对称的电路结构,反向工作时的波形是完全一样的。变换器一个开关周期内的工作过程可以分为6个模态,由于前半周期的工作状态和后半周期基本类似,本文仅就前半周期3个阶段的工作过程进行阐述,每个阶段对应的等效电路图见工作模态图。

CLLC谐振变换器理论波形图
工作模态 1[to-t1]:t0时刻,Si1和Si2开始导通,二极管续流阶段结束后才流过电流,实现 ZVS 开通。二次侧由S01和S02的体二极管导通流过电流,能量由一次侧传输到二次侧。此时 A、B 两点之间的电压为输入电压Vin,变压器励磁电感Lm的电压被输出电压V0钳位,不参与谐振,励磁电流iLm线性上升。电感L1、L2和电容C1、C2发生谐振谐振电流iL1正弦上升,电流大小和变化速率均大于iLm,在这段时间内越过谐振峰值开始下降,在t1时刻下降到和励磁电流iLm相等。
工作模态 2[t1-t2]:t1时刻,谐振电流iL1和励磁电流iLm大小相等,二次侧的电流下降到零,S01和S02实现 ZCS 关断,不存在反向恢复电流。此时输出电压不再对变压器绕组电压钳位,一次侧电感L1和iLm、电容C1组成串联谐振,二次侧电感L2和电容C2退出谐振。相对而言,励磁电感Lm比谐振电感L1大得多,一般为5到10倍,故励磁电流变化率基本不变。
工作模态 3[t2- t3;]:t2-t3是死区时间,实际上这段时间很短,此处为了分析明了,对它进行适当放大。t2时刻,Si1和Si2的驱动电压变为低电平,Si1和Si2关断。在死区时间内谐振电流iL1给Si1和Si2的寄生电容充电,同时给Si3和Si4的寄生电容放电。当Si1和Si2的电容充电至输入电压时,Si3和Si4的电容刚好放电到零,此后由体二极管进行续流这段时间内谐振腔的能量通过续流电流反馈给输入电源。到t3时刻驱动脉冲到来,实现ZVS 开通,变换器进入下半个工作周期。



CLLC 谐振变换器的双向工作原理:
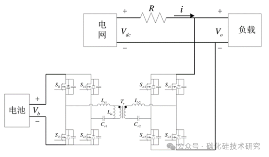
CLLC谐振变换器输入输出端均采用全桥结构,实现的一大功能即是功率的双向流动,除此之外变换器的电压增益的变化趋势具备传统LLC振变换器的特点,具体表现为:当开关频率fs大于谐振频率f1时,变换器工作于Buck 模式,电压增益G小于1;当开关频率fs小于谐振频率f1时,变换器工作于 Boost 模式,电压增益G大于 1;当开关频率fs等于谐振频率f1时,变换器工作于输出跟随模式,电压增益G等于1。结合这两个工作特点的典型应用方式如下图所示。

变换器双向工作原理
如上图所示为分布式电源经CLLC谐振变换器并网运行的原理图。图中Vdc为直流母线电压,Vb为电池电压,Vo为变换器输出电压,也是负载电压。R为直流母线和负载之间的等效总电阻。
假设变换器初始工作于稳态,功率流向为从左往右,电池向负载供能。当负载变大时,负载电流i上升,电阻R上的电压降增大,相应地负载电压Vo下降。检测到负载电压下降后,变换器的开关频率变小以提供更大的电压增益,电池输出电流增加,负载电压逐步上升到初始值。相反当负载变小时,负载电流i下降,电阻R上的电压降减小,相应地负载电压V上升。此时变换器的开关频率上升,电压增益变小,电池输出电流下降,负载电压逐步下降到初始值。如果电池输出电流下降到零之后的负载电压仍然高于初始电压,说明此时直流母线有额外的能量输出,变换器切换功率的流动方向,由负载向电池充电。
功率流向为从右往左,电池为储能模式时的工作原理基本类似。若向电池充电的电流下降到零时负载电压仍然低于初始电压,说明直流母线出力不足,此时变换器切换功率流向为从左往右,电池转为供电模式。
由此可见CLLC谐振变换器在并网工作过程中扮演十分重要的角色。
声明:此文部分内容取自网络素材,文中观点仅供分享交流,仅为传递信息为目的,若有来源标注错误或如涉及版权等问题,请与作者联系,将及时更正、删除,谢谢。
SiC MOS
更多信息请关注
微信公众号
邮箱:ymq@mgmsemi.com
深圳:深圳市光明区光明街道华强科技生态园5A栋1216
成都:成都市高新区双柏路68号汇创天下科技园西区1栋9层907
长沙:长沙市岳麓区麓谷科技创新创业园A1栋2404
上海:上海市闵行区万源路2161弄150号1号楼318
菲律宾:12 Ibayo St, Manila, Metro Manila, Philippines