明古微半

MGME   SEMICONDUCTOR

136 7022 5257
业务热线:

碳化硅功率器件+电驱方案

新能源汽车.充电桩.工业电源.光伏储能.电力电子.低空飞行器...

技术学院

STUDY

大功率SiC MOSFET驱动电路设计
来源: | 作者:吴工 | 发布时间: 2026-03-16 | 166 次浏览 | 🔊 点击朗读正文 ❚❚ | 分享到:
为了使强流重离子加速器装置(HIAF)碳化硅功率开关器件SiC MOSFET工作在理想状态,设计了基于SIC1182K驱动芯片的SiC MOSFET驱动电路。对该驱动电路的输出电压、响应时间、脉宽连续可调性、稳定性和可靠性进行实验测试,测试结果表明:该驱动电路能够长时间、稳定可靠工作,满足 SiC MOSFET 的工作需求。

摘要:为了使强流重离子加速器装置(HIAF)碳化硅功率开关器件SiC  MOSFET工作在理想状态,设计了基于SIC1182K驱动芯片的SiC MOSFET驱动电路。对该驱动电路的输出电压、响应时间、脉宽连续可调性、稳定性和可靠性进行实验测试,测试结果表明:该驱动电路能够长时间、稳定可靠工作,满足 SiC MOSFET 的工作需求。

关键词:加速器电源;SIC1182K;SiC MOSFET;驱动电路

图片

强流重离子加速器装置(HIAF)[1-2]是“十二五”国家重大科学工程项目。硅功率器件是现阶段兰州加速器电源常用的开关器件,与传统硅器件相比,第三代半导体开关器件SiC MOSFET有着更加卓越的高温高压工作性能。并且SiC MOSFET上升下降时间短、通态损耗小等特点[3],决定了SiC MOSFET在达成更高开关频率的同时,还兼备更小的功率损耗。在相同功率等级下,与硅器件开关电源相比,SiC MOSFET开关电源能够凭借更高的开关频率,减小电路中电容电感体积,降低滤波成本,提高功率密度。器件材料的差异导致驱动电路不可通用,驱动电路就成为SiC MOSFET理想工作所需解决的技术难点。

本课题以美国CONCEPT公司的 SIC1182K为驱动电路主芯片,以德国英飞凌公司的大功率 SiC MOSFET 模块 FF6MR12W2M1 B11为驱动控制目标,设计了满足使用要求的SiCMOSFET驱动电路。

1 驱动电路设计关键

材料特性差异决定了功率器件工作需求有所区别,用Si MOSFET驱动电路来驱动 SiCMOSFET是不合理的[4]。SiC MOSFET 值电压更小并具有较小的负温度系数[5],在通断过程中高du/dt、di/dt 更易带来严重的串扰影响,导致误导通,而栅极负压关断的方法能够有效地抑制同桥臂串扰,加快关断速度。SiCMOSFET负压承受能力较弱,结合技术手册所给参数,针对目标SiC MOSFET所设计的驱动电路采用+15V/-5V的驱动电压控制。

驱动电阻影响器件的开关速度,通常驱动电阻阻值由数据手册中所给推荐值和两倍于推荐值中选取,查阅技术手册可知,目标SiC MOSFET最小推荐电阻为1.8Ω,因此驱动电阻取为3.6Ω。

驱动电流是MOSFET匹配合适的驱动器的重要参数,其值由栅极输入电压摆幅与栅极输入电阻所决定,其中栅极输入电阻由外置电阻RG(ext)与 MOSFET模块内置电阻RG(int)组成[6]。在驱动电路中目标SiC MOSFET的栅极电压摆幅△V=+15-(-5)=20V,栅极电阻RG=RG(ext) 十RG(int) = 3.6Ω+0.5Ω=4.1Ω,因此目标SiC MOSFET所需的最小驱动电流Ic=△V/RG=4.9A。

本课题所采用的SIC1182K驱动芯片,开关频率最高可达150kHz,能够支持大功率SiCMOSFET的高频工作;输出电压为+15V/-5V,与目标 SiC MOSFET技术手册中的推荐开关电压一致;提供的士8A峰值输出电流,大于目标 SiC MOSFET所需的4.9A峰值电流,能够满足设计需求。

2 SIC1182K驱动电路

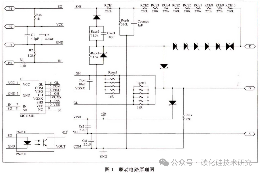
SIC1182K驱动电路原理图如图1所示,驱动电路分压电阻R1、R2将加速器电源控制器输出的15VPWM控制信号转变成驱动芯片所能识别的5V信号。驱动电路中与SNS引脚连接的RCE电阻串、稳压二极管串分别用以检测短路、过压故障,通过调整电阻值、二极管稳压值与电容值可设置故障检测阈值与盲区时间。

图片

驱动电路输出侧仅需单台单极性20V电源,便可输出+15V/-5V的栅极驱动电压。IN逻辑控制信号输入引脚能够识别+3.3~+5.5V的PWM高电平电信号与-0.5~+0.5V的PWM低电平电信号。栅极输出引脚GH输出+15V的驱动电压、峰值8A的拉电流,GL输出-5V的驱动电压、峰值8A的灌电流。为满足电路输出功率,驱动电阻RGON、RGOFF需要通过多个电阻并联组成。考虑到驱动芯片自带的0.74Ω开通内阻、0.68Ω的关断内阻,本设计通过并联6个16Ω、0.5W的贴片电阻作为驱动电阻,并且开通、关断过程采用不同的两组并联贴片电阻独立工作,有效降低电阻的工作温度,以便于在后续的开关频率测试时,并联电阻的功率仍能满足驱动芯片输出功率。

为了保证SiC MOSFET的安全工作,驱动电路设有过压保护和短路保护。在正常工作时,SO故障输出引脚保持高阻态,并通过上拉电阻RSO输出5V高电平信号,该信号通过线性光电耦合器PS2811,将5V电压信号转变为加速器电源控制器所能识别的24V电压信号;当检测到过压或短路故障时,驱动芯片将开启闭锁状态,忽略来自IN引脚的PWM控制信号,并将SNS引脚检测到的故障信号,通过SO引脚的内部接地转变为低电平故障信号输出,达到保护SiCMOSFET的目的。

3 主要性能测试

3.1 输出电压测试

测量驱动电路自身的栅极输出波形,采得的空载波形如图2所示,图2中输出波形频率为50kHz,高电平为+15V,低电平为-5V,高低电平无明显波动。图3为驱动电路接上目标 SiC MOSFET后采得的50 kHz开关频率的带载波形图,图3中输出波形的正压尖峰为+17 V,负压尖峰为-8 V,均在SiC MOSFET最大开关电压+20V/-10V内,满足SiC MOSFET所需的开关电压。

图片
图片

3.2 响应时间测试

测试了驱动电路空载下的响应时间,测量结果如图4所示。其中通道1为IN引脚接收的+5VPWM控制信号,通道3为驱动电路输出的+15V/-5V栅极控制信号。由图中输入输出的时间差计算得到,驱动电路的响应时间约为260ns,与驱动芯片技术手册中的265ns延迟典型值相近,满足控制要求。

图片

3.3 脉宽测试

开关电源输出功率的控制,是通过控制其开关器件的驱动脉宽来实现的,这便要求驱动电路能够做到跟随输人脉宽的变动,控制其输出脉宽。实验分别测试了在1us、2us、5us、10us输人脉宽下驱动电路的空载输出波形,测量结果如图5所示,验证了驱动电路输出脉宽的可调性。

图片

3.4 可靠性测试

在带载但目标SiC MOSFET不接主电路的情况下,对驱动电路的输出波形进行了为期一周的连续测量工作,测量结果显示,驱动电路自身能够长时间地连续工作,且驱动电路未发生故障,输出波形正常无畸变,也无误发脉冲、丢失脉冲的现象发生,验证了驱动电路的可靠性。

3.5 稳定性测试

为了验证驱动电路输出的稳定性,针对驱动电路的空载输出波形进行了为期一周的持续测量工作。通过测量驱动电路在4种不同输入脉宽下的输出波形,计算出输出脉宽的平均值和标准差,具体数值如下表所列,由表中测量数值计算出该驱动电路的输出脉宽稳定度好于0.2%,满足设计要求。

图片

4 结论

本实验针对大功率SiCMOSFET的工作需求,设计了一款适用于SiC MOSFET的驱动电路,并对驱动电路进行了性能测试实验,实验结果表明:SIC1182K驱动电路输入与输出信号间的响应时间约为260ns,驱动电路输出脉宽连续可调,电路稳定性好,能够长时间可靠地工作,电路的输出参数能够较好地与SiC MOSFET 匹配,满足 SiC MOSFET 的工作需求,为强流重离子加速器SiC MOSFET 开关电源的研制奠定了基础。

**为方便大家沟通,碳化硅 MOS 技术交流群已建,诚邀业内同仁、技术爱好者入群,共探前沿技术,交流实战经验,携手推动行业发展!

同时也欢迎添加作者个人微信交流合作:

图片

感谢深圳市明古微半导体有限公司长期的赞助与支持!国产碳化硅,就找明古微!深圳市明古微半导体有限公司作为爱仕特科技碳化硅MOS/SBD、中科本原DSP、乐山希尔整流桥堆/FRD等的核心代理商,与其深度合作并联合开发碳化硅功率模块、电驱方案、储能系统,致力于为电动汽车、OBC、DC-DC、充电桩、光伏逆变、SVG、PCS、工业电源、家电变频等能源领域提供基于碳化硅功率器件及完整解决方案,更多信息请登录:www.mgmsemi.com

声明:此文部分内容取自网络素材,文中观点仅供分享交流,仅为传递信息为目的,若有来源标注错误或如涉及版权等问题,请与作者联系,将及时更正、删除,谢谢。

SiC MOS

我们要把有限的精力用在服务客户上,维护网站可能会延迟,想了解我们的最新动态,建议您关注我们的“微信公众号”或直接致电联系我们!谢谢!